鍛鋼三通球閥產品概述
鍛鋼三通球閥是一種閥體、閥蓋、閥桿和球體等采用具有均勻致密的內部組織的鍛件材料加工而成,適用于管道內的高壓或超高壓力介質流向切換或分流及合流的鍛造三通球閥。其按閥芯通道結構形式的不同,通常分為L型、T型和Y型三種,其中L型閥芯是連通了兩個垂直交叉成90°方向的流體通道,形狀呈L型,T型球芯基于L型閥芯上,但是其中一條的流體通道完全打通,可以同時連接三個流體通道,形狀呈T型,而Y型則主要安裝在Y形管路中,用于改變介質流通的方向,實現對兩種不同流向的切換,它根據球體流道角度的不同又分為120°和135°兩種。本產品主體部件均為鍛鋼加工成形,避免了鑄鋼件可能出現的砂孔、裂紋、氣孔、縮結、縮孔和嚴重偏析等缺陷,同時保障了殼體內在組織結構的嚴密性,增強了閥門的密封性能。
鍛鋼三通球閥部件材料
| 序號 | 部件名稱 | 材料名稱 | |||||
| 1 | 閥 體 | A105 | A182 F304 | A182 F304L | A182 F316 | A182 F316L | A182 F347 |
| 2 | 閥 蓋 | A105 | A182 F304 | A182 F304L | A182 F316 | A182 F316L | A182 F347 |
| 3 | 閥 座 | R-PTFE、PTFE、TEFLON、NYLON、PPL、PEEK、DEVLON、SS+HF | |||||
| 4 | 球 體 | A182 F304 | A182 F304 | A182 F304L | A182 F316 | A182 F316L | A182 F347 |
| 5 | 閥 桿 | A182 F304 | A182 F304 | A182 F304L | A182 F316 | A182 F316L | A182 F347 |
| 6 | 填 料 | GRAPHITE、R-PTFE、PTFE、TEFLON、PCTFE | |||||
| 7 | 填料壓蓋 | A105 | A182 F304 | A182 F304L | A182 F316 | A182 F316L | A182 F347 |
| 8 | O 型 圈 | VITON | VITON | VITON | VITON | VITON | VITON |
鍛鋼三通球閥性能規范
| 公稱壓力Class | 150 | 300 | 600 | 900 | 1500 | 2500 |
| 殼體強度試驗壓力(MPa) | 3.0 | 7.5 | 16.5 | 22.5 | 39.0 | 65.2 |
| 高壓液體密封試驗壓力(MPa) | 2.2 | 5.5 | 12.1 | 16.5 | 28.6 | 47.75 |
| 低壓氣體密封試驗壓力(MPa) | 0.4~0.7 | 0.4~0.7 | 0.4~0.7 | 0.4~0.7 | 0.4~0.7 | 0.4~0.7 |
| 設計制造 | GB/T 12237、GB/T 21385、API 608、ASME B16.34 | |||||
| 結構長度 | 按本廠標準Q/CB的規定或訂貨合同要求 | |||||
| 連接法蘭 | JB/T 79、GB/T 9113、HG/T 20592、HG/T 20615、SH/T 3406、ASME B16.5 | |||||
| 檢驗試驗 | GB/T 26480、JB/T 9092、API 598 | |||||
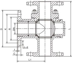
鍛鋼三通球閥主要尺寸
| 公稱壓力 Class | 公稱尺寸 NPS | 外形尺寸/mm | 公稱壓力 PN | 公稱尺寸 DN | 外形尺寸/mm | ||
| L | L1 | L | L1 | ||||
| 150 | 1 | 180 | 90 | 150 | 4 | 320 | 160 |
| 1 ? | 200 | 100 | 5 | 380 | 190 | ||
| 1 ? | 220 | 110 | 6 | 440 | 220 | ||
| 2 | 240 | 120 | 8 | 550 | 275 | ||
| 2 ? | 260 | 130 | 10 | 670 | 335 | ||
| 3 | 280 | 140 | 12 | 720/850 | 425 | ||
| 表中未列出的其他規格參數,請咨詢汗越閥門技術部。 | |||||||
鍛鋼三通球閥結構圖

如果你需訂購我廠鍛鋼球閥產品,咨詢時煩請注明產品型號,如無法提供型號數據,請說明公稱尺寸、公稱壓力、閥體和內件材質、使用介質、工作溫度、端部連接形式等。本產品操作方式可選用手柄、蝸輪傳動、電動、氣動、液動、氣液聯動等,還可以與遠程控制自動化配套使用。
網站首頁